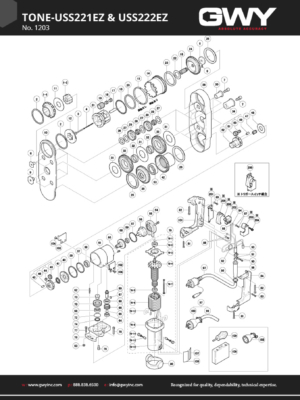
Parts Diagram USS-221EZ Parts Diagram Download Now Share Share on Twitter Share on Facebook Share on LinkedIn